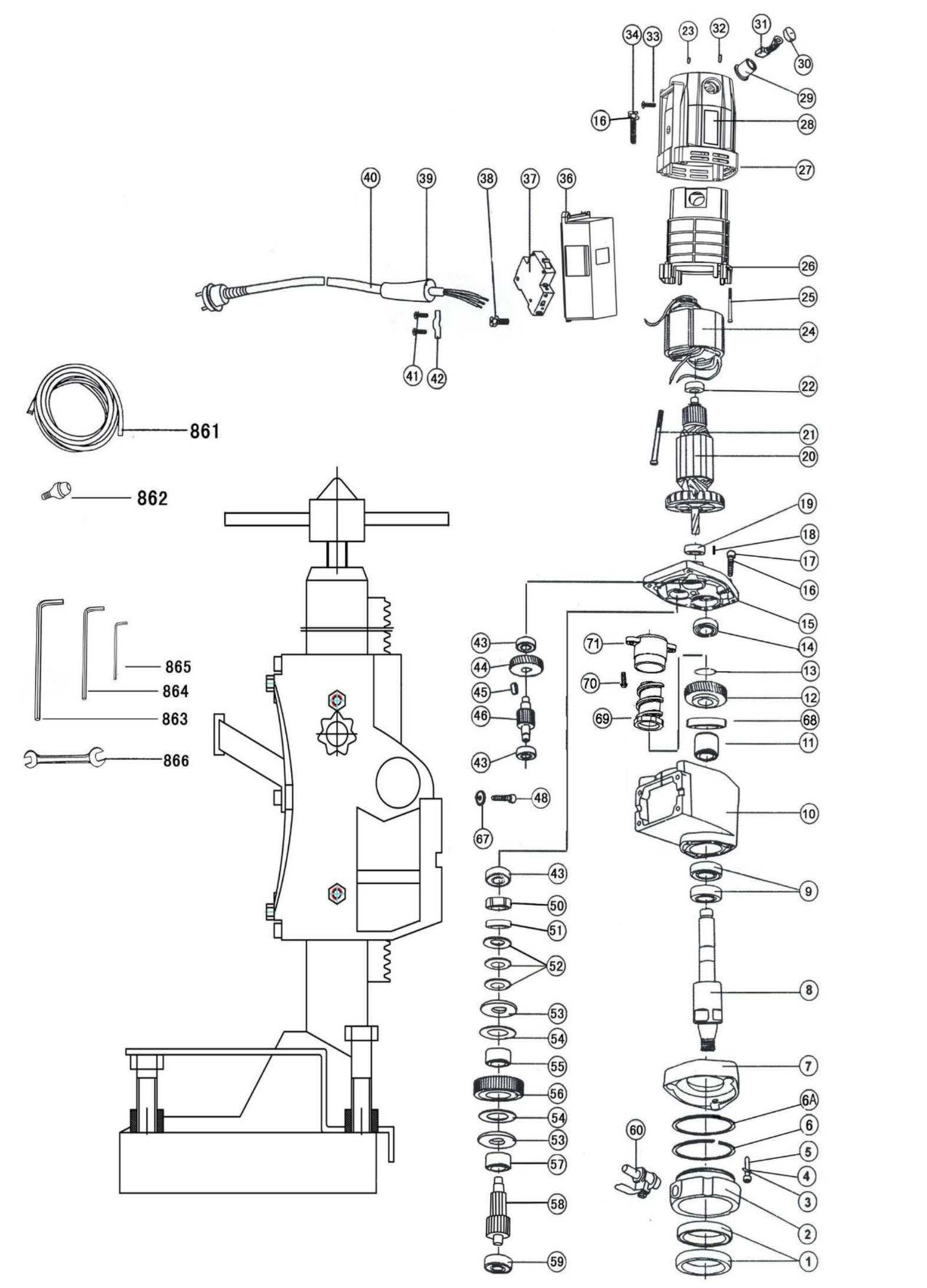
Interactive Parts Diagram
Click on diagram
Available Parts
7
Fixing Sleeve
SR NO.
1.Model Nameļ¼DSM04-100A
49
Ball Bearing 6201VV
50
Hex Lock Nut M16
37
Switch
7
Fixing Sleeve
SR NO.
1.Model Nameļ¼DSM04-100A
49
Ball Bearing 6201VV
50
Hex Lock Nut M16
37
Switch