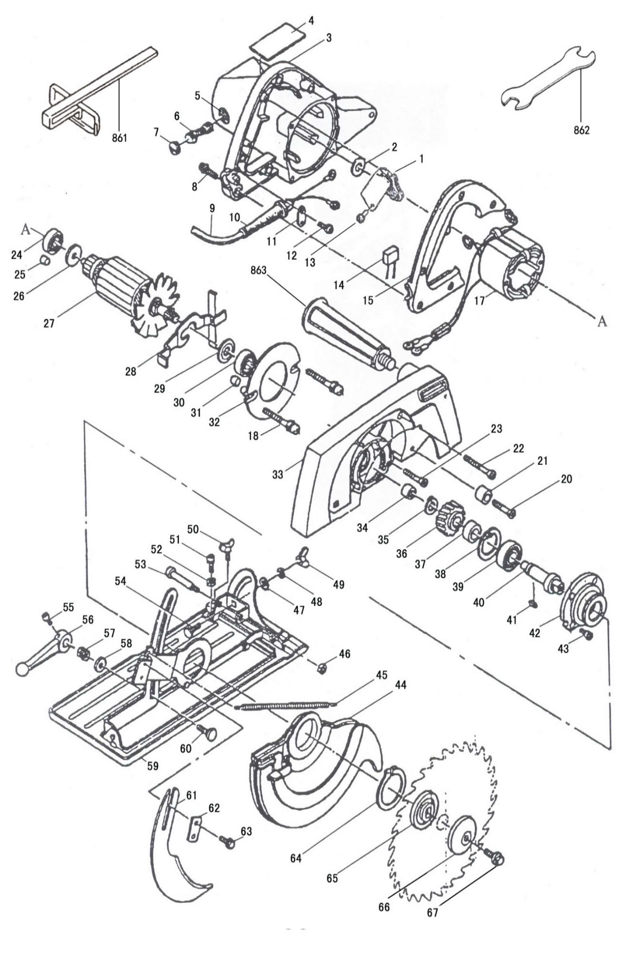
Interactive Parts Diagram
Click on diagram
Available Parts
44
Movable Guard
49
Wing Nut M6
46
Hex Lock Nut With Non-Metallic Insert M6, Style I
55
Cross Recessed Pan Head Screw M5×10
34
Needle Bearing
44
Movable Guard
49
Wing Nut M6
46
Hex Lock Nut With Non-Metallic Insert M6, Style I
55
Cross Recessed Pan Head Screw M5×10
34
Needle Bearing