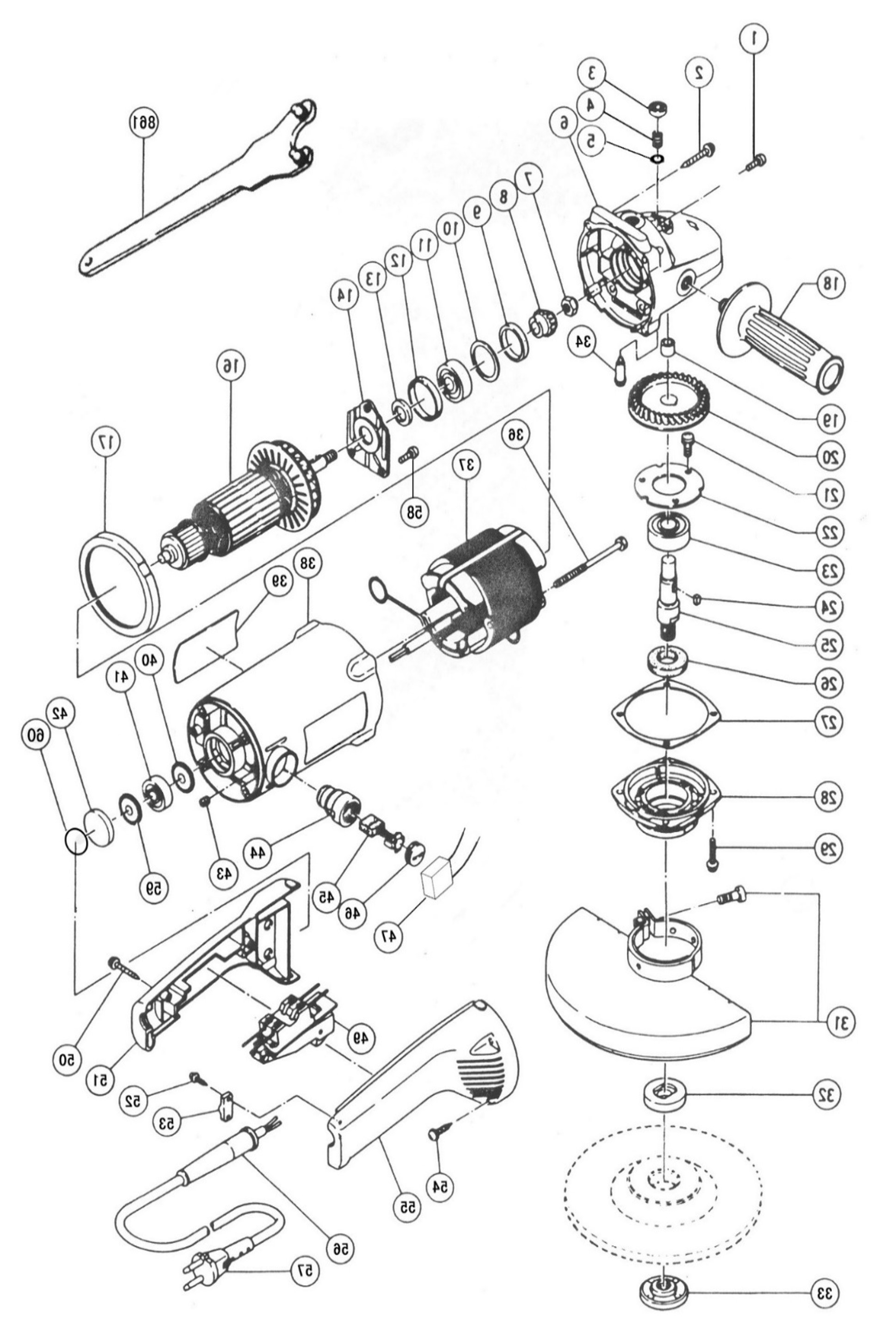
Interactive Parts Diagram

Click on diagram
Parts Diagram

Available Parts

24

Ball Bearing 608DD

21

Cross Recessed Pan Head Screw M5×10 (With Spring And Flat Washers)

35

Motor Housing (DongCheng)

27

Paper Washer

52

Cross Recessed Pan Washer Head Tapping Screw ST4×16

Your Cart

Your cart is empty

Click on the diagram to add parts